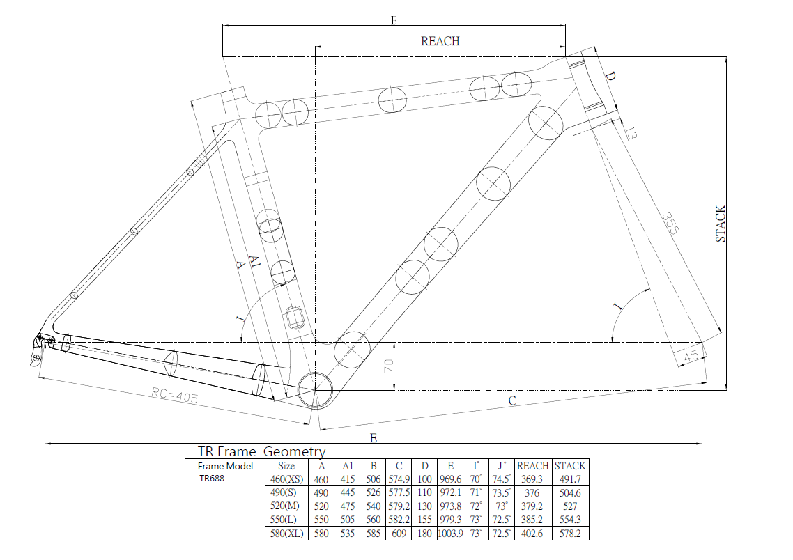
TR688
TR688
Full carbon fiber frame with simple design is the most affordable model without sacrificing stiffness, durability,comfort f of performance.
• Size: 46/49/52/55/58 CM
• Head Tube: 11/8"-1.5" Tapered
• Front Fork: RC52S
• BB Shell: Standard BSA BB68
• Optional: Shimano DI2
• Head Tube: 11/8"-1.5" Tapered
• Front Fork: RC52S
• BB Shell: Standard BSA BB68
• Optional: Shimano DI2
