TT918
TT918
This new TT combines the use of various high modulus carbon fibers in each different section with the manufacturing criteria of UCI (3:1) to obtain the best than ever unique and performance frame. The beefy but heavy aero down tube collaborates with the bigger chain stay design enhance the strength and the lateral stiffness. With the slender seat stay design the weight reduced for and the rider experience comfortable riding. Compatible with Shimano direct mount for front brake , one piece oversized BB shell design and integration of cables and wires complete the entire frame design to lower the drag and get aerodynamically improved.
Trigon new TT satisfies the rider with riding performance, sprint and pleasant comfort.
Trigon new TT satisfies the rider with riding performance, sprint and pleasant comfort.
• Size: 52 CM
• Head Tube: 11/8"-1.5" Tapered
• Front Fork: RC82S
• BB Shell: Shimano BB86
• Optional: TRIGON SP177 seat post, Shimano DI2
• Head Tube: 11/8"-1.5" Tapered
• Front Fork: RC82S
• BB Shell: Shimano BB86
• Optional: TRIGON SP177 seat post, Shimano DI2
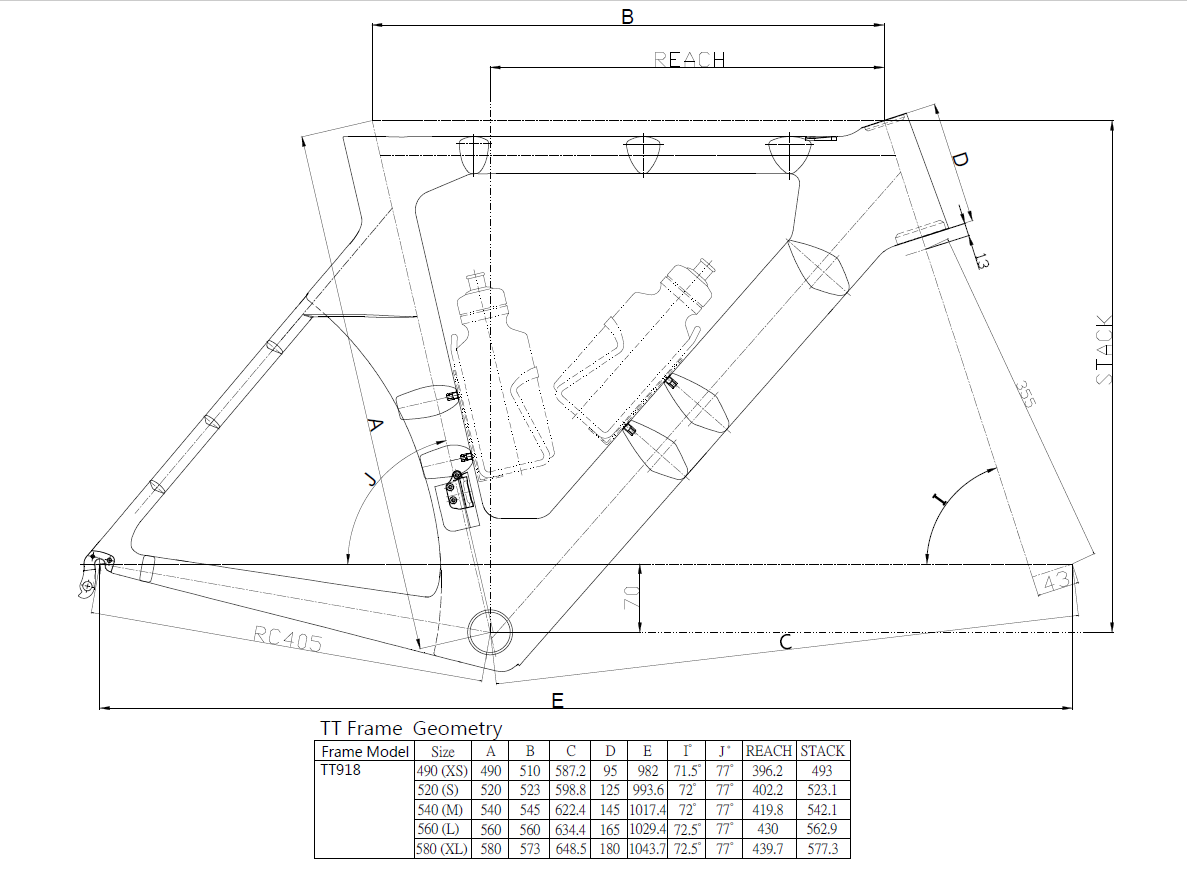
-frame-geometry.png)