TR688F
TR688F
Full carbon fiber frame with simple design is the most affordable model without
sacrificing stiffness, durability, comfort f of performance.
sacrificing stiffness, durability, comfort f of performance.
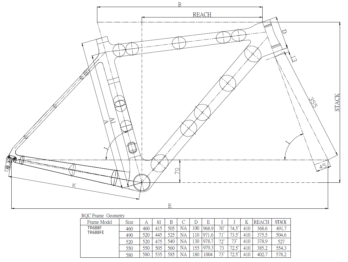
• Size : 46 / 49 / 52 / 55 / 58 CM
• Head Tube : 11 / 8"-1.5" Tapered
• Front Fork : RC80F(QR axle+ Flat Mount)
• BB Shell : Standard BSA BB68
• Optional : Shimano DI2, disc brake rotor 140mm or 160mm
• Weight : 1065g (size C-T 52cm)
• Head Tube : 11 / 8"-1.5" Tapered
• Front Fork : RC80F(QR axle+ Flat Mount)
• BB Shell : Standard BSA BB68
• Optional : Shimano DI2, disc brake rotor 140mm or 160mm
• Weight : 1065g (size C-T 52cm)
